یکی از مسائل مهم در بررسی سیگنالها در سیستمهای دیجیتال و اتوماسیون، لبه بالارونده (Rising Edge) و لبه پایینرونده (Falling Edge) در پالسها است. بسیاری از دستورات منطقی در PLCها بر اساس همین تغییر وضعیت سیگنالها عمل میکنند. که در این آموزش به بله های بالارونده و پایین رونده در برنامه لدر ISP Soft می پردازیم.

در نرمافزار ISP Soft، دو دستور پرکاربرد برای تشخیص این لبهها وجود دارد: LDP و LDF
دستورهای LDP و LDF در نرمافزار ISP Soft
در برنامهنویسی PLC، علاوه بر دستورات منطقی معمول مثل AND / OR ( لینک آموزش ) و SET/ RESET ( لینک آموزش ) ، دستورهایی وجود دارند که بر اساس لبه (Edge Detection) عمل میکنند. دو دستور پرکاربرد در این دسته عبارتند از:
- LDP (Leading Edge Pulse)
- LDF (Falling Edge Pulse)
دستور LDP در ISP Soft :
این دستور یک پالس لحظهای در لبهی بالارونده سیگنال ورودی، تولید میکند.
وقتی سطح منطقی سیگنال ورودی از 0 به 1 تغییر کند، دستور LDP فقط 1 میشود. اما در سیکلهای بعدی برنامه که سطح سیگنال ورودی همچنان 1 است، دستور LDP غیرفعال خواهد شد و برای فعال شدن مجدد آن لازم است لبه بالارونده دیگری تشخیص داده شود.
کاربرد های دستور LDP :
- شمارش تعداد دفعاتی که یک کلید یا سنسور فعال شده است.
- تولید یک پالس لحظهای هنگام روشن شدن یک سیگنال.
- جلوگیری از اجرای چندبارهی یک دستور در طول زمان فعال بودن ورودی.
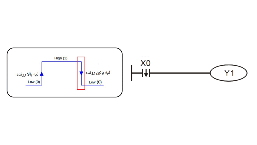
دستور LDP در برنامه لدر ISP Soft :

کارکرد بلوک X0 همانند یک ورودی ساده است و اگر فعال شود خروجی Y1 فعال میشود، با این تفاوت که تنها با تشخیص لبه بالا رونده فعال میشود و موجب فعال شدن خروجی میگردد.
دستور LDF در ISP Soft :
این دستور یک پالس لحظهای در لبهی پایینرونده سیگنال ورودی، تولید میکند.
وقتی سطح منطقی سیگنال ورودی از 1 به 0 تغییر کند، خروجی LDF یک 1 میشود. و در سیکلهای بعدی برنامه که ورودی همچنان 0 است، خروجی LDF غیرفعال خواهد شد برای فعال شدن مجدد آن لازم است لبه پائین رونده دیگری تشخیص داده شود
کاربرد های دستور LDF :
- تشخیص لحظهای خاموش شدن یک ورودی یا سیگنال.
- استفاده در برنامههایی که نیاز دارند فقط در لحظهی قطع شدن یک سیگنال، عملی انجام شود (مثلا توقف یک شمارنده یا ریست شدن یک تایمر).
دستور LDF در برنامه لدر ISP Soft :

کارکرد بلوک X0 همانند یک ورودی ساده است و اگر فعال شود خروجی Y1 فعال می شود، با این تفاوت که تنها با تشخیص لبه پائین رونده فعال شده و موجب فعال شدن خروجی می گردد.
دستورات LDP و LDF برای تشخیص پالس بالارونده و پائین رونده استفاده می شوند.
دو دستور کاربردی مرتبط با پالس بالارونده و پایین رونده، دستورات PLS و PLF هستند که بصورت لحظه ای می توانند.
دستورات PLS و PLF در نرم افزار ISP Soft :
PLS و PLF میتوانند بهصورت لحظهای، یک پالس تکسیکلی در هنگام تغییر وضعیت سیگنال تولید کنند.
- PLS در لحظهی تغییر از 0 به 1، یعنی لبه بالارونده یک پالس کوتاه ایجاد میکند.
- PLF در لحظهی تغییر از 1 به 0، یعنی لبه پایین رونده یک پالس کوتاه ایجاد میکند.
دستور PLS در برنامه لدر ISP Soft :

در مرحله اول، ورودی X0 به دستور PLS متصل شده و خروجی آن به بیت کمکی M0 اختصاص داده شده است. همانطور که در نمودار مشخص است، هر بار که سیگنال X0 از وضعیت “۰” به “۱” تغییر میکند (لبه بالارونده)، دستور PLS تنها به مدت یک سیکل اسکن خروجی M0 را فعال میسازد.
در مرحله دوم، بیت M0 به دستور SET متصل شده و خروجی آن Y0 است. بدین ترتیب، در لحظهای که X0 روشن میشود، پالس تولید شده توسط PLS باعث فعال شدن دستور SET و در نتیجه روشن شدن خروجی Y0 خواهد شد.
از آنجایی که دستور SET دارای خاصیت نگهدارنده است، خروجی Y0 پس از فعال شدن نیز در وضعیت “۱” باقی میماند، حتی اگر سیگنال ورودی یا M0 به وضعیت “۰” بازگردد.
دستور PLF در برنامه لدر ISP Soft :

توضیح :
در مرحله اول، ورودی X0 به دستور PLF متصل شده و خروجی آن به بیت کمکی M0 اختصاص داده شده است. همانطور که در نمودار مشخص است، هر بار که سیگنال X0 از وضعیت “۱” به “۰” تغییر میکند (لبه پایینرونده)، دستور PLF تنها به مدت یک سیکل اسکن خروجی M0 را فعال میسازد.
در مرحله دوم، بیت M0 به دستور SET متصل شده و خروجی آن Y0 است. بدین ترتیب، در لحظهای که X0 خاموش میشود، پالس تولید شده توسط PLF باعث فعال شدن دستور SET و در نتیجه روشن شدن خروجی Y0 خواهد شد
از آنجایی که دستور SET دارای خاصیت نگهدارنده است، خروجی Y0 پس از فعال شدن نیز در وضعیت “۱” باقی میماند، حتی اگر سیگنال ورودی یا M0 به وضعیت “۰” بازگردد.
چند مثال کاربردی جهت درک دستورات PLS و PLF را بررسی می کنیم :
مثال برای PLF:
در نظر داریم برنامه ای بنویسیم که در ان اجرای یک فرایند در سیستم مشروط به خاموش شدن یک کلید است، به صورتی که به محض اینکه کلید خاموش شد، برنامه شروع به اجرا فرایند از پیش تعیین شده کند و با شروع آن فرایند، شیر مغناطیسی موجود در سیستم قطع و غیر فعال شود.
در نظر داریم صرفا نحوه تشخیص خاموش شدن کلید و اعلام دستور شروع را طراحی کنیم و با فرایند ای که اجرا میشود کاری نخواهیم داشت.
اعلام دستور به این حالت است که از حافظه M10 کنترلر استفاده میکنیم، اگر حافظه M10 فعال باشد، کنترلر فرایند مورد نظر را اجرا میکند، و اگر غیر فعال باشد هرگز اجرا نخواهد کرد.


برنامه در لدر ISP Soft :
توضیح برنامه:
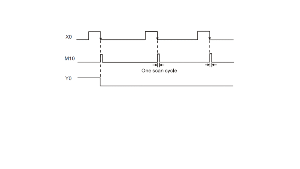
وقتی X0 روشن می شود لبه پایین رونده فعال می شود و دستور PLF اجرا می شود و M10 یک پالس برای یک یک پالس فعال میگیرد و کنترلر با تشخیص ان، فرایند از پیش تعیین شده را اجرا میکند.
وقتی M10 = ON، دستور [RST Y0] اجرا میشود و Y0 خاموش میشود. در این صورت شیر الکترومغناطیسی خاموش می شود.
مثال برای PLS :
قصد داریم برنامه ای بنویسیم که در آن تنها با یکبار فشردن کلید، خروجی فعال شود و با دوباره فشردن کلید تائیری در عملکرد خروجی نداشته باشد. (مانند کلید آسانسور که وقتی منتظر رسیدن اسانسور جهت سوار شدن هستیم، هرچند بار هم کلید روی دیوار را فشار دهیم تاثیری در فرایند کنترل آسانسور نخواهد داشت.)


توضیح برنامه :
زمانی که X0 روشن شود، یعنی با لبه بالارونده تحریک شود، دستور PLS اجرا شده و خروجی M10 به مدت یک سیکل اسکن برنامه یک پالس تولید خواهد کرد.
هنگامی که M10 = ON باشد، دستور [SET Y0] اجرا شده و خروجی Y0 روشن خواهد شد.
در این حالت، چراغ نشانگر فعال میشود و سایر مراحل فرایند اجرا خواهد شد و با فشردن مجدد کلید و روشن شدن X0 تاثیری در فرایند برنامه ایجاد نخواهد شد.
اگر بخشی از این آموزش برایتان مبهم بود یا به توضیح بیشتری نیاز داشتید، حتماً سؤال خود را در بخش نظرات بنویسید، کارشناسان ما پاسخگوی شما خواهند بود. همچنین میتوانید از طریق دایرکت اینستاگرام شرکت، مستقیماً با تیم پشتیبانی در تماس باشید. پاسخ به پرسشهای شما به بهبود آموزشهای آینده ما کمک میکند!
ISP Soft نرمافزاری حرفهای از شرکت Delta Electronics است که برای برنامهنویسی، شبیهسازی و پیکربندی کنترلکنندههای منطقی قابل برنامهریزی (PLC) مورد استفاده قرار میگیرد. این نرمافزار محیطی ساده، کاربردی و گرافیکی را فراهم کرده تا مهندسان برق و اتوماسیون صنعتی بتوانند منطق کنترلی ماشینآلات را بهصورت دقیق طراحی و آزمایش کنند.
امکانات و ویژگیهای نرمافزار ISP Soft
نرمافزار ISP Soft از زبان برنامهنویسی Ladder Diagram (LD) پشتیبانی میکند که یکی از محبوبترین زبانها در دنیای PLC است. با استفاده از این نرمافزار میتوان بهراحتی مدارهای منطقی را طراحی، تست و روی سختافزار واقعی بارگذاری کرد. برخی از قابلیتهای مهم این برنامه عبارتاند از:
- طراحی سریع مدارهای کنترلی به روش گرافیکی
- شبیهسازی آفلاین و آنلاین برنامهها
- مانیتورینگ لحظهای وضعیت ورودی و خروجی PLC
- عیبیابی سریع و دقیق برنامه
- پشتیبانی از توابع مهم مانند تایمر، شمارنده، مقایسهگر و عملیات منطقی
لبه بالارونده و پایینرونده در ISP Soft
در فرآیند برنامهنویسی با ISP Soft، شناخت لبه بالارونده (Rising Edge) و لبه پایینرونده (Falling Edge) بسیار ضروری است. این دو مفهوم به مهندسان کمک میکنند تا تغییر وضعیت سیگنالها را تشخیص دهند.
بهعنوان مثال، لبه بالارونده زمانی فعال میشود که سیگنال از حالت ۰ به ۱ تغییر کند، در حالیکه لبه پایینرونده هنگام تغییر از ۱ به ۰ فعال میشود. در نتیجه، استفادهی صحیح از این دستورات باعث افزایش دقت و سرعت واکنش برنامه در شرایط صنعتی میشود.
کاربردهای عملی ISP Soft در صنعت
برنامه ISP Soft در بسیاری از صنایع تولیدی، بستهبندی، غذایی و خودروسازی برای کنترل فرآیندهای خودکار به کار میرود. این نرمافزار امکان اتصال مستقیم به PLC دلتا، آپلود و دانلود برنامه، و مشاهدهی رفتار لحظهای سیستم را فراهم میکند.
با یادگیری ISP Soft، میتوانید بهراحتی برنامههای حرفهای PLC طراحی کرده و منطق کنترلی سیستمهای پیچیده را بهینهسازی کنید.
 
	 سنسور
سنسور القایی
القایی خازنی
خازنی نوری
نوری کد رنگ
کد رنگ کارت رله
کارت رله ابزارالات
ابزارالات ابزار لحیم کاری
ابزار لحیم کاری 
															

